

Material: Body and pin high tensile steel, Grade 6, quenched and tempered
Safety Factor: MBL equals 6 x WLL
Finish: Hot-dipped galvanised
Temp Range: Minus 20°c up to 200°c
Standard: EN 13889 and meets performance requirements of US Fed Spec RR-C-271, Type IVA Class 2, Grade A
Certificate: As standard an EC declaration of conformity is supplied, also upon request a basic raw material cert, manufacturer test cert, inspection cert and DNV cert (2t above)
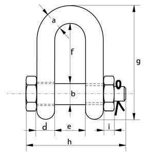
| WLL | Product Code | Bow Dia | Pin Dia | Eye Dia | Width Eye | Width Inside |
|---|---|---|---|---|---|---|
| Tonns | – | a mm | b mm | c mm | d mm | e mm |
| 2 | WRA0406 | 13.5 | 16 | 34 | 13 | 22 |
| 3.25 | WRA0407 | 16 | 19 | 40 | 16 | 27 |
| 4.75 | WRA0408 | 19 | 22 | 46 | 19 | 31 |
| 6.5 | WRA0409 | 22 | 25 | 52 | 22 | 36 |
| 8.5 | WRA0410 | 25 | 28 | 59 | 25 | 43 |
| 9.5 | WRA0411 | 28 | 32 | 66 | 28 | 47 |
| 12 | WRA0412 | 32 | 35 | 72 | 32 | 51 |
| 13.5 | WRA0413 | 35 | 38 | 80 | 35 | 57 |
| 17 | WRA0414 | 38 | 42 | 88 | 38 | 60 |
| 25 | WRA0415 | 45 | 50 | 103 | 45 | 74 |
| 35 | WRA0416 | 50 | 57 | 111 | 50 | 83 |
| 42.5 | – | 57 | 65 | 130 | 57 | 95 |
| 55 | WRA0417 | 65 | 70 | 145 | 65 | 105 |
| 85 | WRA0418 | 75 | 83 | 162 | 73 | 127 |
| WLL | Product Code | Length Inside | Length | Length Bolt | Length Nut | Weight Each |
|---|---|---|---|---|---|---|
| Tonns | – | f mm | g mm | h mm | i mm | kg |
| 2 | WRA0406 | 43 | 81 | 82 | 13 | 0.39 |
| 3.25 | WRA0407 | 51 | 97 | 98 | 17 | 0.67 |
| 4.75 | WRA0408 | 59 | 112 | 114 | 19 | 1.08 |
| 6.5 | WRA0409 | 73 | 134 | 130 | 22 | 1.66 |
| 8.5 | WRA0410 | 85 | 154 | 150 | 25 | 2.46 |
| 9.5 | WRA0411 | 90 | 167 | 166 | 27 | 3.4 |
| 12 | WRA0412 | 94 | 180 | 178 | 30 | 4.51 |
| 13.5 | WRA0413 | 115 | 209 | 197 | 33 | 6.1 |
| 17 | WRA0414 | 127 | 230 | 202 | 19 | 7.63 |
| 25 | WRA0415 | 149 | 271 | 249 | 23 | 13.25 |
| 35 | WRA0416 | 171 | 305 | 269 | 26 | 18.53 |
| 42.5 | – | 190 | 345 | 301 | 29 | 25.94 |
| 55 | WRA0417 | 203 | 376 | 330 | 32 | 35.33 |
| 85 | WRA0418 | 229 | 427 | 380 | 39 | 52.97 |
We're here for you
Explore our resources