

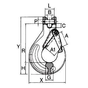
| Chain Dia mm | A mm | A1 mm | B mm | C mm | G mm | H mm | R mm | X mm | Y mm | P x L mm | Weight kgs/each | Part Code |
|---|---|---|---|---|---|---|---|---|---|---|---|---|
7/8 | 34 | 26 | 9.5 | 10 | 19 | 28 | 95 | 90 | 140 | 9 X 23 | 0.53 | CLSLI070 |
10 | 40 | 31 | 12 | 13.5 | 25 | 33 | 110 | 108 | 165 | 12.5 X 29.5 | 0.95 | CLSLI100 |
13 | 51 | 40 | 15 | 17 | 30 | 40 | 136 | 131 | 204 | 16 X 37 | 1.67 | CLSLI130 |
16 | 56 | 45 | 18 | 22 | 37 | 48 | 155 | 153 | 237 | 20 X 52 | 3.00 | CLSLI160 |
20 | 61 | 52 | 23 | 26 | 46 | 52 | 183 | 177 | 276 | 24 X 73 | 5.40 | CLSLI200 |
22 | 72 | 72 | 24.5 | 29 | 50 | 62 | 213 | 202 | 310 | – | 8.80 | CLSLI220 |
We're here for you
Explore our resources