

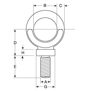
| Vertical SWL Tones | A mm | B mm | C mm | D mm | E mm | G mm | H mm | Weight kgs/each | Part Code |
|---|---|---|---|---|---|---|---|---|---|
0.10 | 6 | 22 | 9 | 27 | 18 | 17 | 5 | 0.07 | WRL1401 |
0.15 | 8 | 22 | 9 | 27 | 18.5 | 17 | 5 | 0.07 | WRL1402 |
0.25 | 10 | 22 | 9 | 27 | 18.5 | 17 | 5 | 0.07 | WRL1403 |
0.32 | 12 | 22 | 9 | 27 | 18.5 | 17 | 5 | 0.07 | WRL1404 |
0.63 | 16 | 29 | 11 | 34 | 23.5 | 23 | 6 | 0.14 | WRL1405 |
1.25 | 20 | 40 | 15 | 47 | 33 | 32 | 9 | 0.40 | WRL1406 |
2.00 | 24 | 51 | 19 | 60 | 41 | 40 | 12 | 0.80 | WRL1407 |
3.20 | 30 | 64 | 24 | 76 | 51 | 51 | 14 | 1.72 | WRL1408 |
We're here for you
Explore our resources